TDA7293オーディオパワーアンプガイド
TDA7293アンプは、高忠実度のオーディオアプリケーション用に細心の注意を払って設計されたシングルチップ積分回路です。この包括的な記事では、可能な交換、詳...
Oct 04
ビューのビュー: 8946
CMOS Logic ICファミリの著名なメンバーである
74HC00
は、4つのNANDゲートを1つのパッケージに統合し、シリコンゲートテクノロジーを活用して、LS-TTLの運用速度を顕著に低下させます。この速度と効率のブレンドは、最大10個のLS-TTL負荷と静電放電保護のための内部ダイオードクランプを駆動する能力によって増強され、74HC00をデジタル回路設計の多用途で信頼できるコンポーネントとして配置します。強化された騒音免疫といくつかの業界標準の同等物との互換性のための緩衝出力を理解することができ、革新的で堅牢なデジタルシステムを作成する礎石になります。
74HC00
RENESAS
74HC00 ST SOP
In Stock: 6124 pcs

74hc00、4つのNAND門を組み込んで、LS-TTLファミリーとの整合性で注目されています。
シリコンゲートCMOSテクノロジーを採用して、低消費量に焦点を合わせながら、LS-TTLに似た運用速度を達成します。このバランスにより、速度と効率の両方を活用して、創意工夫に共鳴するデザインを育成できます。緩衝ゲート出力は、騒音免疫を強化します。これは、挑戦的な信号環境でも安定した性能に寄与する要因です。
最大10個のLS-TTL負荷を駆動する機能により、多数の信号出力が必要なシステムに適しています。
内部ダイオードクランプを装備し、静電放電に関連するリスクを最小限に抑えます。この機能は、長期的な信頼性を求める際の知恵を微妙に反映して、コンポーネントの寿命を拡張する上でその役割を強調しています。
交換と同等物:
•
CD4011
CD4011
I-CORE
701
In Stock: 25220 pcs
•MC54HC00AJD
• SN54LS00
•SN74HCT00DTE4
•
74HCT132D
74HCT132D
NXP
74HCT132D PHILIPS SOP14
In Stock: 16924 pcs
•
74HCT00
74HCT00
TI
74HCT00 ST SOP14
In Stock: 2870 pcs

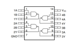
•ピン1、2、4、5、9、10、12、13:データ入力
これらのピンは、チップ内のNANDゲートのロジック操作をガイドする入力信号を受信するように作られています。これらの入力が干渉のない干渉の促進された信頼できる回路動作のないことを確認し、制御と予測可能性を反映しています。
•ピン3、6、8、11:データ出力
出力として機能するこれらのピンは、NANDゲート計算の結果を伝えます。これらは、多様なデジタルロジック構造で使用でき、複雑なロジックパターンを織り交ぜることができます。複数の回路が単一の出力に接続されている場合、潜在的な負荷効果は、複雑な関係に必要な繊細なバランスを示唆しています。
•ピン7:グラウンド(GND)
このピンはシステムグラウンドに接続して、電圧の定常基準点を提供します。このような安定した接続を確立することは、接地と明確さの自然な追求と一致し、妨害を最小限に抑えます。
•ピン14:ポジティブ電源(VCC)
このピンを通して正しい電圧を供給すると、デバイスのパフォーマンスがサポートされます。指定された範囲内で維持することは寿命と効率を向上させますが、パワーピンの近くにデカップリングコンデンサを配置すると、操作を大幅に安定させ、人生の複雑さを管理する戦略をミラーリングすることができます。
74HC00
は、電力効率に焦点を当てた4つの独立したNANDゲートで設計されており、デジタルサーキットでの信頼性の高いパフォーマンスに惹かれます。その印象的な騒音免疫は安定したアプリケーションに寄与し、多くの人が一貫性を優先するプロジェクトに魅力的だと感じています。DIPおよびSOIC形式で利用でき、多様な設計要件を満たし、柔軟なPCBレイアウトオプションを提供します。
74HC00
RENESAS
74HC00 ST SOP
In Stock: 6124 pcs
74HC00の適応性により、幅広いロジックゲート構成と複雑なシステムに適合できます。堅牢な入出力/出力の駆動能力を評価して、複雑なデジタル関数を作成するのに役立つことがわかります。
さまざまな条件下で動作する能力は、74HC00を教育とプロトタイプ開発で人気があります。それが回路の複雑さの増加に適応する容易さは、パフォーマンスを犠牲にすることなく新しいイノベーションを探求するように促します。
Texas Instrumentsは、信頼できる画期的な半導体製品の作成に対する献身で評判を得ています。耐久性と優れたパフォーマンスに揺るぎない焦点を当てているテキサスインスツルメンツのコンポーネントは、電子機器業界での効果的な役割を紹介し、多数のアプリケーションの中心にあります。
8.65mm x 3.91mm x 1.58mmの
74HC00
は、コンパクト環境に合わせた洗練されたデザインを誇っています。これらの寸法は、さまざまな回路基板レイアウトへの統合を簡素化し、デバイスの顕著な機能を損なうことなく、限られたスペースを最大限に活用できるようにします。
74HC00
RENESAS
74HC00 ST SOP
In Stock: 6124 pcs
供給電圧は2Vから6Vに及び、パワーソースの選択と、幅広いデジタル回路との互換性を確保する際の適応性を提供します。この電圧範囲は汎用性の高いアプリケーションをサポートし、74HC00が動的環境での需要の変化に慣れて調整できるようにします。
-40°Cから85°Cの間で効果的に動作するこのデバイスは、多様な気候と産業条件で繁栄するように設計されています。極端な温度に対する抵抗は、環境の変動性が与えられている家電と産業用途に適した選択肢となります。
23ナノ秒の伝播遅延を提供する74HC00は、高速ロジック関数に必要な処理効率に優れています。この迅速なパフォーマンスは、迅速なデータ交換が必要なデジタル信号制御や通信システムなどのアプリケーションで有利です。
このデバイスには、NANDロジック操作用の4つのゲートが含まれており、複雑なロジック設計に実質的な機能を提供します。この構成は、効率的に実行されるために論理操作が必要な場合に有利であることを証明し、システム内で迅速かつ信頼性の高い処理を確保します。
ロジックゲートとして機能する74HC00は、デジタル回路作成の主要コンポーネントとして機能します。これらの要素を使用して複雑なデジタルシステムを構築することで、計算能力を高め、革新的な方法で処理機能を進めます。
74HC00
は4つの別々のNANDゲートを統合し、それぞれに2つの入力が1つの出力につながります。操作は、詳細な真理テーブルに依存します。具体的には、両方の入力が高い場合にのみ、出力が低くなります。それ以外の場合、出力は高いままです。これは、デジタルロジック設計の主要な要素であり、より複雑な回路を作成するコアコンポーネントとして機能します。
74HC00
RENESAS
74HC00 ST SOP
In Stock: 6124 pcs
肯定的なフィードバックは、これらのゲート全体の安定性に微妙に影響します。各ゲートが入力を処理すると、フィードバックは安定した出力状態を強化し、一貫したパフォーマンスを促進します。この平衡は、入力値とのゲートの反応を調和させることで到達します。この側面を活用して、確実な予測可能性の層を明らかにして、信頼できる論理状態を要求する回路を築くことができます。
NANDゲート内の入出力ダイナミクスの微妙さを把握すると、合理化された回路設計の可能性が高まります。一般的なアプリケーションには、フリップフロップの構築と、操作ではなく、またはそのようなロジックタスクの実行が含まれます。この汎用性は、単純な制御メカニズムから洗練された計算フレームワークまで、さまざまなコンテキスト全体にわたる採用を強調しています。
74HC00のより広範なユーティリティを反映して、その信頼できるパフォーマンスは、産業用電子機器にまたがる分野に関連性があります。これらのゲートを多様な論理フレームワークに配置する力は、実質的な創造的な自由を与え、革新を促進します。Nand Gatesの主な原則は、ユニークな技術的ハードルのためのテーラードソリューションを刺激します。
74HC00
は、絶妙な精度で設計された4倍の2入力NANDゲートです。実用性と技術の洗練の調和のとれたブレンドを具体化します。
74HC00
RENESAS
74HC00 ST SOP
In Stock: 6124 pcs
•広い電圧範囲で動作します
•迅速な伝播遅延を表示します
•高速および低電力操作に適しています
•電圧と電流:このコンポーネントは、電圧レベルの幅にわたって機能し、多様な設計ニーズに対応します。
•温度範囲:さまざまな温度設定で確実に機能し、さまざまな環境条件に適応性が可能になります。
•一般的な使用:多用途のコンポーネント、それは無数のデジタルサーキットの場所を見つけ、日常のタスクからGraceの複雑なアプリケーションに至るまでのニーズを満たすことができます。
•特定の実装:家電から産業メカニズムまで、74HC00はシームレスに統合され、各アプリケーションでユーティリティを示します。
74HC00
チップは顕著な適応性を示し、その幅広い機能のおかげで、多様な電子コンテキストに頻繁に表示されます。
74HC00
RENESAS
74HC00 ST SOP
In Stock: 6124 pcs
74HC00は、バッファーまたはドライバーとして機能し、回路全体のシームレスな接続を促進します。電圧降下を最小限に抑え、信号分解を削減することにより、コンポーネント間の一貫した通信を確立します。ハンズオンエレクトロニクスでは、74HC00をバッファーとして使用すると、DIYプロジェクトの頻繁な機能である複数のLEDまたはリレーモジュールをアクティブにするマイクロコントローラーの能力を強化できます。
このチップにより、NAND Gatesなどのロジック操作により、複雑なシステムのコアが形成されます。さまざまなロジック回路への簡単な統合は、その使いやすさを強調しています。デジタルデザインでは、NAND Gatesのレバレッジにより、コンポーネントが少ない洗練された論理回路を構築し、手頃な価格とコンパクトさの両方を強化することができます。
組み込みシステム内で、74HC00は、マイクロコントローラーイニシアチブにロジック関数を埋め込むことにより、タスクの実行を合理化します。
多数のIoTデバイスがこのチップを使用して、条件付きチェックを実行および周辺デバイスの管理、システムの応答性と信頼性を高めます。
74HC00は、レベル変換に効果的な役割を果たし、異なる回路間で信号レベルを調整します。これにより、さまざまな電圧評価を伴うコンポーネントの滑らかなインターフェースが容易になります。5Vマイクロコントローラーを3.3Vセンサーにリンクするなどの混合電圧状況では、74HC00は分割をシームレスに橋渡しし、正確なデータ共有を確保します。
このチップは、タイミングおよび制御回路の備え、シーケンシャルロジックタスクの綿密な調整を支援し、遅延ラインサーキットやパルス生成などのアプリケーションを強化します。74HC00を使用したタイミングサーキットの精製は、同期通信システムなどのタスクの精度を高め、細心の時間管理を通じてデータの忠実度を保護します。
74HC00は、バイナリ比較のためのデジタルコンパレータとして機能し、デジタルフレームワーク内の意思決定に理想的です。バイナリ図間の平等または変動を識別します。バイナリ比較のために74HC00を使用すると、さまざまなデジタルプロトコルに分岐決定を実装するための効率的なルートが提供され、アクティビティのシステムパフォーマンスを強化します。
74HC00には、2.0V〜6.0Vの電力範囲内で動作する4つの独立した2入力NANDゲートが組み込まれています。デジタルロジックシステムを提供すると、複雑なデジタルアーキテクチャのバックボーンを形成する論理操作の形成が可能になります。
74LS00は、それぞれ2つの入力と単数の出力で設計された4つのNANDゲートのセットで構成されています。この構成は、デジタルエレクトロニクスのユニットを開発する際の一般的な選択です。
主な違いは、電圧の適応性です。74HC00は2Vから6Vの範囲内で動作し、74LS00は5V電源に拘束されます。選択は、多くの場合、アプリケーションのニーズと環境要因の変動に依存します。
74HCシリーズは、高速CMOS統合回路を備えており、消費電力が低下したTTL互換速度を提供します。74LSシリーズのピンレイアウトとの互換性により、既存の回路での統合と交換が簡単になります。
デジタルサーキットでは、74HC00は、信号の反転と複雑なロジックアクションの実行にNANDロジックゲートが必要な計装です。その適応性は、教育的文脈や専門的な電子ベンチャーにおける貴重な資産となります。
Apr 16
ビューのビュー: 451
Apr 16
ビューのビュー: 407
Apr 16
ビューのビュー: 345
Apr 16
ビューのビュー: 366
Apr 15
ビューのビュー: 491
Apr 15
ビューのビュー: 456